附圖
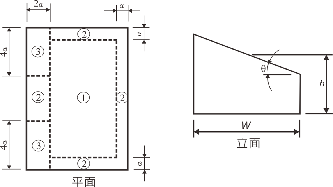
圖4.1(a) 外牆外風壓係數 ($h\le18\ m$ 封閉式或部分封閉式建築物之局部構件及外部被覆物)

註:
- (1) 當 $\theta\le10°$ 時,牆之外風壓係數將可降低 10%。
- (2) 正值表示壓力指向表面;負號表示壓力遠離表面。
- (3) 每個部分應依最大正負壓力設計之。
- (4) $a$:取 $0.4 h$ 或最小寬度的 10%,兩者中較小者。但 $a$ 不能小於 $0.9 m$ 或最小寬度的 4%。